网站首页
关于我们
公司简介
资质证书
产品中心
负荷开关
户内真空断路器
户外真空断路器
隔离开关
柜内配件
产品应用
新闻资讯
公司新闻
行业动态
资料下载
联系我们
首页
关于我们
公司简介
资质证书
产品中心
负荷开关
户内真空断路器
户外真空断路器
隔离开关
柜内配件
新闻资讯
公司新闻
行业动态
产品应用
资料下载
联系我们
产品中心
PRODUCT
产品中心
首页
-
产品中心
-
柜内配件
-
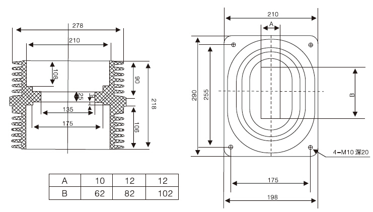
TG3-24KV/175X255X218套管
TG3-24KV/175X255X218套管
如果您有任何问题可以联系我们!
联系我们
电话:18058886883
扫一扫,加我为朋友
详细信息
详细信息
TG3-12KV/140X200套管
TG3-24KV/175X255X310套管
返回
相关产品
触头盒套管(10kV-35kV)
传感器绝缘子(10kV-35kV)
CH3-12KV/150触头盒 630~1250A
CH3-12KV/180触头盒 1250A
CH3-12KV/190触头盒1600A
CH3-12KV/208触头盒 1600~2000A
联系我们
浙江省温州市乐清市柳市镇万南工业区
18058886883
237772948@qq.com
首页
/
关于我们
/
新闻资讯
/
产品中心
/
产品应用
/
资料下载
/
联系我们
© 浙江浦泰高压电气有限公司
浙ICP备11056102号
XML
网站地图
网站制作维护:
传信网络
友情链接:
负荷开关配件
FN12配件
FZN25配件
FZRN63配件
户内真空断路器配件
固封极柱配件
VS1配件
PT手车配件
连体绝缘子配件
户外真空断路器配件
ZW32配件
ZW43配件
ZW20配件
ZW28配件
隔离开关配件
GN38配件
GN19配件
GN30配件
微信
咨询
扫一扫,加我为朋友
服务
热线
18058886883
服务热线
客服
邮箱
237772948@qq.com
客服邮箱